
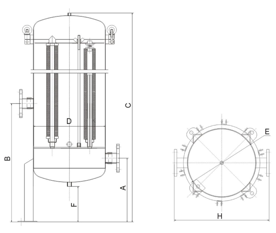
Cover opening & closure type:Swing bolt hinged
Max.pressure:150psi
Filter elements adaptor:222 o-ring/fin,Double open end-DOE
| Model | A mm | B mm | C mm | D mm | E mm | F mm | H mm | Inlet/Outlet |
| 5 Round - 30"L | 250 | 600 | 1250 | 200 | 200 | 120 | 340 | 1 1/2"-2" |
| 5 Round - 40"L | 250 | 700 | 1500 | 200 | 200 | 120 | 340 | 1 1/2"-2" |
| 7 Round - 30"L | 300 | 700 | 1300 | 250 | 250 | 150 | 390 | 1 1/2"-2" |
| 7 Round - 40"L | 300 | 800 | 1550 | 250 | 250 | 150 | 390 | 1 1/2"-2" |
| 11 Round - 30"L | 360 | 700 | 1380 | 300 | 300 | 200 | 440 | 2"-3" |
| 11 Round - 40"L | 360 | 900 | 1620 | 300 | 300 | 200 | 440 | 2"-3" |
| 15 Round - 30"L | 380 | 800 | 1420 | 350 | 350 | 200 | 530 | 2"-3" |
| 15 Round - 40"L | 380 | 900 | 1660 | 350 | 350 | 200 | 530 | 2"-3" |
| 20 Round - 30"L | 400 | 800 | 1460 | 400 | 400 | 200 | 560 | 2"-4" |
| 20 Round - 40"L | 400 | 900 | 1700 | 400 | 400 | 200 | 560 | 2"-4" |
| 27 Round - 30"L | 460 | 800 | 1530 | 450 | 450 | 250 | 630 | 2"-4" |
| 27 Round - 40"L | 460 | 1000 | 1770 | 450 | 450 | 250 | 630 | 2"-4" |